ソーラー電源式防犯カメラ KSC-500CI(照明なし、非常用電源搭載)

本「ソーラー電源式防犯カメラ」は商業用電源を必要としない、ローコストタイプの防犯カメラです。
その為、設置に際しての電源工事及び、電気料金も不要です。
また、インバーター搭載により災害時は携帯電話の充電・LED照明・ラジオ等の消費電力の少ない電気製品の電源として利用することができます。
KSC-500CIカタログ録画時間について
特長
非常用電源
インバーターを搭載している為、AC100Vの電源を取ることが可能です。災害時に携帯電話の充電器・ラジオ・小型LED照明等の消費電力の少ない電気製品が使用できます。
電源工事不要、電気代不要
ソーラ電源により商業用電源を使用せず、電源工事・電気料金が必要ありません。したがって電気料金が発生しない為、維持管理費の予算捻出が不要です。また、電源を確保することが難しい場所でも容易に設置することが可能です。
※電源を確保することが難しい場所でも容易に設置可能。
80W 出力のソーラパネル
出力80Wh のソーラーパネルを搭載しており、効率的なバッテリー充電が可能です。
暗闇でも鮮明画像で録画
防犯カメラは220 万画素の高画質カラー画像でLED赤外線照明内蔵のため、夜間でも鮮明な画像が得られます。
(夜間は白黒画像に自動切り替え)
天候に左右されず長時間使用可能
45Ahの大容量バッテリーを搭載している為、悪天候が続きソーラパネルからの電源供給がされなくても長時間の稼動が可能です。(悪天候が予想以上に続いても、天候が回復すれば短時間で復帰)
コンパクト設計
ソーラ電源、カメラ、蓄電部がコンパクトに設計されている為、わずかなスペースでも設置可能です。
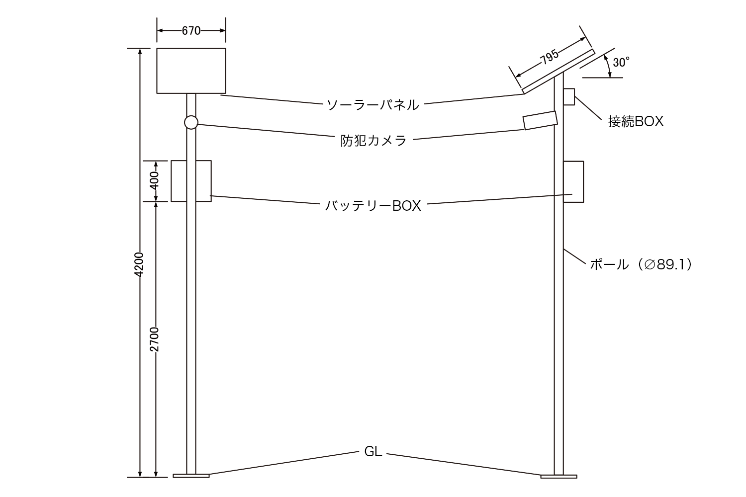
寸法図
| 仕様 |
| カメラ部 |
画素数 |
220万画素 |
|
| レンズ |
バリフォーカル 2.8~12mm |
手動調整 |
| 最低照度 |
OLux |
赤外線照射時(約30m) |
| 記録メディア |
SDカード |
128GB |
| 解像度 |
1920×1080・1280×720 |
選択式 |
| 録画時間 |
約10日間 |
解像度:1920×1080,5コマ/秒 |
| 防水 |
IP66 |
全方向からの強い水しぶきに対応 |
| ソーラー電源部 |
出力 |
80Wh |
|
| セル種類 |
単結晶シリコン |
|
| 設置角度 |
南向き30度 |
|
| パネルサイズ |
795×670×30mm |
重量:6Kg |
| 蓄電部 |
蓄電容量 |
45Ah |
長寿命、密閉式鉛蓄電池 |
| 外形寸法 |
197×166×171mm |
|
| 重量 |
14.1Kg |
|
充放電
コントローラー |
充電リミット |
14.4V |
遮断 |
| 放電リミット |
11.5V |
遮断 |
最大入力電圧 |
30V |
|
最大入力電流 |
10A |
|
インバーター |
出力電圧 |
AC100V |
|
| 定格出力 |
120W |
最大150W |
バッテリーBOX |
外形寸法 |
300×400×200mm |
|
| 重量 |
10.3Kg |
|
| その他 |
屋外用 |
|
※上記仕様は予告なく変更する場合がありますのでご了承願います。